Skip to content
51%
Dornbracht

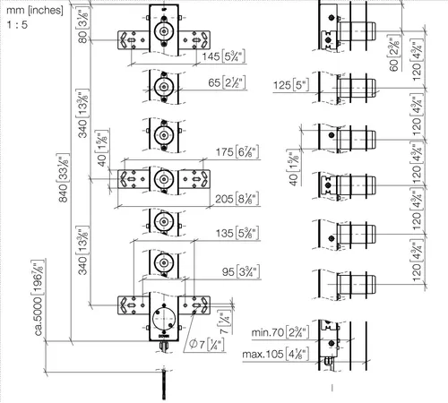
Dornbracht flush-mounted wall box for towel warmer, 6-gang, without control element

Product details
Item No. 3531397090

601,53 €** 1.225,70 €* Save 624,17 €

incl. 19% VAT in addition.
Shipping index: 3 Points

Delivery and Shipping Costs

We charge an additional packaging and processing fee in the amount of:
9,75 € for parcel shipping
23,08 € for shipment by freight carrier

From an order value of 2.500,00 € you will receive the goods free of shipping costs within Germany.

Maximum
shipping index *

Shipping costs incl.
VAT. **

3

7,70 €

7

10,70 €

11

14,10 €

15

17,40 €

21

37,00 €

26

49,00 €

41

56,00 €

54

64,00 €

68

70,00 €

96

104,00 €

124

139,00 €

MAX

160,40 €

All shipping costs only apply to the mainland. Deliveries are only possible to the mainland.
* The shipping index is used to determine the shipping costs. This is the item weight including the additional packaging material.

1-2 weeks
by parcel service
No processing costs
- +

Assembly & documents

Assembly instructions

Title

Free shipping

From an order value of € 2,500 we ship free of charge within Germany (mainland).

Specialist advice

Specialist advice by phone from Monday to Friday until 6 pm.

Buyer protection

Trusted Shops certified. Enjoy full buyer and data protection.

Order check

We check every order for compatibility and completeness on request!

Dornbracht flush-mounted wall box for towel warmer, 6-gang, without control element

Dornbracht flush-mounted wall box for towel warmer, 6-gang, without control element

Dornbracht flush-mounted wall box for towel warmer, 6-gang, without control element

Product details

  • Dornbracht
  • 1x flush-mounted wall installation box for towel warmer, 6-gang, without control element
  • 6x body shell protective covers
  • 6x water protection sleeve
  • Min. installation depth 70 mm
  • Max. Installation depth 105 mm
  • Rated voltage: 220 - 240 V AC
  • Without control element
  • Activation must be solved on site

Manufacturer:
Dornbracht AG und Co. KG
Köbbingser Mühle 6
DE-58640 Iserlohn

E-mail:
mail@dornbracht.com

*non-binding price information of the manufacturer
**SHK Badshop price without additional discount
1 From a value of goods of 2,500 € we ship within Germany (mainland) shipping costs free of charge.
2 delivery time approx. 2-3 working days